はじめに
合金鋼の中には、拡散によって特定の元素を導入することで、表面特性を調整できるものがあります。窒化処理もその一つで、窒素を使って硬度の高い表面層を形成し、強度や耐摩耗性を向上させます。20世紀初頭から使われている技術ですが、他の方法と比較して熱処理が低温で済むため、その適用が広がっています。その結果、歪みとそれに伴う問題のリスクが低くなります。このテクニカルノートでは、エネルギー分散型X線分析(EDS)と電子線回折結晶方位解析(EBSD)を組み合わせた分析によって、窒化鋼の微細構造の特性を評価する方法を説明します。
結果と考察
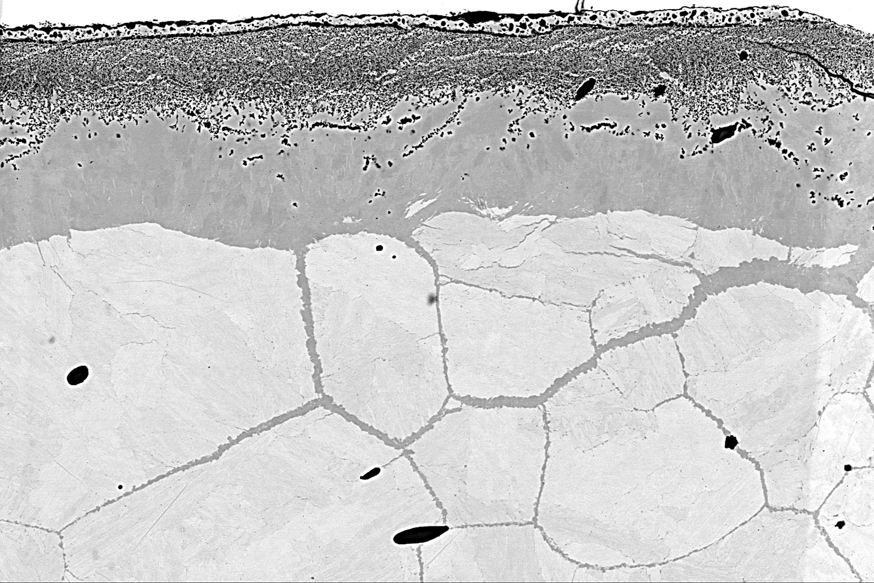
図1は、鋼材試料の窒化面を撮影した反射電子(BSE)像です。像のコントラストは、主に原子番号や密度のコントラストを示しています。上部の最も明るい領域は、機械的研磨を助けるために使用されるニッケルメッキに対応し、下部の明るい領域は、鋼の微細構造に対応します。これらのコントラスト間の暗い領域は窒化層に対応し、黒い領域はサンプルのエッジ付近の析出物や気孔に対応します。

図 1. 鋼材試料の窒化表面層のBSE像
EDAX Pegasusシステムを使用して、125nmのステップサイズを持つ六角形のサンプリンググリッドを使用して、112 μm x 140 μmの領域にわたる試料からEDSおよびEBSDマップを同時に収集しました。EDS-EBSD 同時測定は、EDAX Velocity™ および Clarity™ EBSD 検出器と Octane Elite または Octane Elect EDS 検出器の任意の組み合わせで収集することができます。このデータを同時に収集する主な利点は、2つのデータを直接相関させることです。
EBSDパターンの収集中に、撮影された蛍光スクリーン内に関心領域(ROI)を定義し、これらのROI内の強度変化を用いて、試料から蛍光スクリーンへの電子回折および散乱信号の変化に起因する異なるコントラストを示すマップを作成します。このイメージング手法はPRIAS™と呼ばれています。図2a)~c)は、上部、中央部、下部のROIから得られた画像です。上部のROIのコントラストは、図1のBSE像のコントラストに似ています。中央部のROIは微細構造内の方位コントラストを示し、下部のROIは結晶粒に起因するコントラストが弱く、より強い表面形状を反映させたコントラストを示します。これらの画像をすべて利用することで、微細構造の包括的かつ視覚的な概要を提供することができます。

図 2. 解析領域内の異なる微細構造コントラストを示すa)上部、b)中央部、c)下部のPRIAS™ 像
マッピングエリア内では、4つの主要な相が確認されました。鉄鋼構造にはフェライトが選択されました。EBSDで立方晶フェライトと正方晶または焼戻しマルテンサイトを確実に区別することは困難であるため、フェライトが選択されたことに留意されたい。立方晶のγ' Fe4Nと六方晶のε Fe3Nの2種類の鉄-窒素相が検出されました。また、存在する主要な介在物と一致する第4のMnS相が追加されました。

図 3. ChI-Scan前の相マップ
これらの構造から収集された相マップを図3に示します。黄色のFe3 Nは他の立方体相と確実に区別されるが、フェライト相とMnS相の間にはあいまいな部分があります。これは、両者が類似の回折面を持つ立方晶の結晶構造をしているためです。そのため、EBSDパターンは類似しており、区別することが困難です。

図 4. Fe(青)、Ni (赤)、Mn(緑)の元素マッピングを重ね合わせEDS RGBカラーマップ
このような場合、同時に収集されたEDSデータを使用したChI-Scan™によって相分離を改善することができます。この手法では、EDSで決定された元素の組成を使用して、EBSDパターンの指数付けに適切な結晶構造を選択することができます。図4にRGBのEDSカラーマップを示しますが、鉄は青、窒素は赤、マンガンは緑です。このマップから、鋼材マトリクス内のMnS相の位置を容易に特定できることがわかります。この方法によりChI-Scanを適用した後の図5の相マップに示すように、相分離性能が劇的に向上します。

図 5. ChI-Scanを適用した相マップ
この段階で、微細構造の特徴が明らかになり、解析が可能になりました。図5の相マップによると、表面に最も近い外層は主にFe4N相であり、Fe3N相はフェライト鋼の界面に近いところに分布しています。また、フェライト鋼マトリクスの深部に、混合Fe-N相が脈に沿って浸透していることがわかります。図6のEBSDイメージクオリティ(IQ)像と逆極点図(IPF)方位マップ(表面法線方向に対して)を調べると、Fe-N相の脈は、以前形成されたオーステナイト相の粒界に沿って伸びていることがわかります。これは、これらの先行オーステナイト粒界が、加工中に導入された窒素のより速い拡散経路であることを示唆しています

図 6. EBSDのIQ像とIPFマップ(表面法線方向に対して)から、Fe-N相の脈が先行するオーステナイト粒界間の境界を通って伸びていることがわかります
また、各相の粒径を算出し、微細構造内での粒径の空間分布を示すことができます。この例では、六方晶のFe3N相の中で、表層付近やパケット間粒の中に小さな粒があり、立方晶のFe4N界面に近いところに大きな粒がある、二峰性の粒径分布が見られます。結晶粒の形状分析も可能で、鋼材の界面付近では、縦横比が近しい結晶粒の領域と、より細長い結晶粒の領域が混在しています。粒径と形状に関する情報は、加工中の窒化層の成長速度を理解するのに役立ちます。
まとめ
これらの結果は、EDS-EBSDデータを組み合わせることで、窒化処理に伴う微細構造の成長を明らかにし、理解できることを示しています。この情報は、表面硬化特性と材料性能向上のための窒化パラメータの最適化に使用することができます。