Skip to content

ステンレス鋼酸化スケールの相分離

はじめに

表面、建物の外装や内装の被覆材などがあります。製品の外観を損なわないよう、酸化の影響を低減する必要があります。残念ながら、現在のスケール除去プロセスでは、スラブ再加熱後に存在するすべての酸化物を除去することはできません。これらの酸化物スケールの残骸は、圧延中に材料表面に押し出され、見栄えが悪い原因になり、製造業者、購入者の両方にとって受容できないものです。本研究では、工業成形中にステンレス鋼に生成されるスケールを調査しました。電子線回折結晶方位測定装置(EBSD)とエネルギー分散型X線分析装置(EDS)の同時分析よる、化学組成情報を考慮した指数付け(ChI-Scan™)を用いて、スケールのミクロ組織と相分布を調査しました。

試料調製

316Lステンレス鋼の試料は、実験室用電気炉において大気雰囲気で1,200 °C、4時間酸化しました。酸化後、端面保持の導電性ベークライトに取り付け、80~2,400グリットの炭化ケイ素ペーパー、6 μm、1 μmのダイヤモンド研磨で金属組織を作成し、最後にコロイダルシリカ溶液で25分間研磨しました。この試料調整は、セラミック酸化物スケールを分析することを目的としています。酸化物スケールは脆いので、金属試料よりも慎重な準備が必要です。試料の測定は、ラフバラ大学材料特性評価センターのEDAX製EDS/EBSDシステムを備えたLeo 1530 VP電界放出型電子顕微鏡(SEM)を使用しました。EDSとEBSDの両方に最適な条件を見つけるため、ワーキングディスタンスと加速電圧を変化させました。図1にスケールの反射電子像を示します。

ChI-Scanによる相分離

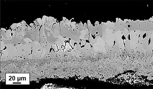
1,200 °C、4時間で316Lステンレス鋼に成長したスケールのBSE像(図1)から、スケールに3つの層があることが分かります。最下層は多孔質で細かり粒子状に見えます。中間層は粒径が大きく、研磨による損傷が見られます。表面層は、中間層よりもダメージが少ないように見えます。このように、反射電子像からミクロ組織に関するいくつかの情報を得ることができますが、EBSDのIQ像(図2)では、より詳細な結晶構造を確認することができます。

図1.1,200°C、4時間で316Lステンレス鋼に形成された酸化物スケールのBSE像
図1.1,200 °C、4時間で316Lステンレス鋼に形成された酸化物スケールのBSE像

 

図2はの倍率は図1と同です。図2から、基板に近い酸化物層(第1層)は非常に微細な結晶粒、中間層(第2層)は大きめの等軸結晶粒、表面層(第3層)は上端に細長い結晶粒がいくつかあり、より無秩序に見えることがわかります。しかし結晶構造が類似した相であるため、EBSDだけで3つの層を正確に区別することは出来ません。このIQ像に、EBSDスキャン中に同時収集したEDSデータを組み合わせることで、層の区別を容易にし、層間および層内の相の分布を明らかにすることができます。(図3)

図2.1,200°C、4時間で316Lステンレス鋼上に形成され、室温、大気下で冷却された酸化スケールのEBSD IQ像
図2.1,200 °C、4時間で316Lステンレス鋼上に形成され、室温、大気下で冷却された酸化スケールのEBSD IQ像

 

図3.1,200°C、4時間で316Lステンレス鋼上に形成され、室温、大気下で冷却された酸化スケールのEDS マップ a) ニッケル、 b) クロム、 c) 鉄、 d)酸素
図3.1,200 °C、4時間で316Lステンレス鋼上に形成され、室温、大気下で冷却された酸化スケールのEDS マップ a) ニッケル、 b) クロム、 c) 鉄、 d)酸素

 

図3に示すEDSマップから、3つの層の中に4つの相が含まれていることがわかります。図3aは、IQ像にニッケルマップを重ねたものです。この図から、ニッケルは第2層の等軸結晶粒全体に均質に分布していることがわかります。この分布が見られるのはこの層だけです。第1層はニッケルリッチな結晶粒もありますが、ニッケルをほとんど含まない結晶粒もあります。表面層(第3層)では、ほとんどの結晶粒でニッケルをほとんど含んでいませんが、スケールの上端に沿った結晶粒にニッケルを多く含んでいることがわかります。クロムマップ(図3b)は、第1層だけがクロムリッチで、それ以外はほとんどクロムが含まれないことを示しています。また、この層では、上部と下部に向かうにつれて、ニッケル含有量が高くなる結晶粒があることがわかります。鉄マップ(図3c)では、スケールの表面に向かって鉄の含有量が増加していることがわかります。表面のニッケル含有量が多い結晶粒は、第3層の他の部分と比較して、鉄含有量が少ないことも分かります。

EDSマップで同定された4つの相それぞれについて、化学組成とEBSD指数付けを検索基準として、回折パターンのデータベースから対応する結晶相を選択しました。4つの相は、ヘマタイトと3つのスピネル(クロム、ニッケル-鉄酸化物、クロム-鉄酸化物)であることが確認されました。同時に収集されたEDS-EBSDデータから、結晶構造情報(EBSD)と化学組成情報(EDS)を使用して、再スキャンすることで、これらの相を区別しました(ChI-Scan)。 スケールの下にあるオーステナイト系ステンレスも再スキャンに含めました。

図4.1,200°C、4時間で316Lステンレス鋼上に形成され、室温、大気下で冷却された酸化スケールの相マップ
図4.1,200 °C、4時間で316Lステンレス鋼上に形成され、室温、大気下で冷却された酸化スケールの相マップ

 

その結果、図4の相マップには、3つの酸化スケール層に4つの相が示されています。基板に近い層は混合相、中間層にはニッケル-鉄酸化物、表面層にはヘマタイトがあります。また、ニッケル-鉄酸化物の結晶粒も表面層には見られます。ChI-Scanを使用しなくてもヘマタイト層を指数付けするのは簡単です。これは、他の相とは異なる結晶構造(六方晶)であるためで、その他のスピネル酸化物の結晶構造は同じ(面心立方晶)です。逆に、個々のスピネル酸化物を結晶データで区別することは実質的に不可能です。ここで、EDSの情報をEBSD相分離プロセスに組み込むChI-Scanを使用することで、スピネル同士を区別することができます。ニッケル鉄酸化物はニッケル含有量が多いこと、クロム酸化物はクロム含有量が多く鉄含有量が少ないこと、クロム鉄酸化物はクロムと鉄の含有量が多いことで容易に区別できます。

まとめ

EDSとEBSDの分析結果を組み合わせるChI-Scan機能により、分析者はステンレス鋼サンプルに成長した結晶構造が類似した酸化スケールを確実に区別することができます。この分析は、プロセスエンジニアが最終製品から酸化スケールを除去することに役立ちます。

参考文献

Images were taken from:

  • M. Jepson & R.L. Higginson (2005) The Use of EBSD to Study the Microstructural Development of Oxide Scales on 316 Stainless Steel, in High-Temperature Materials 22: 195-200

General papers detailing this and similar work on oxide scales:

  • G. D. West, S. Birosca and R. L. Higginson (2005) Phase determination and microstructure of oxide scales formed on steel at high temperature, Journal of Microscopy 217: 122-129
  • R. L. Higginson and G. D. West (2005). The Study of Texture Development of High-Temperature Oxide Scales on Steel Substrates using Electron Backscatter Diffraction, Materials Science Forum 495-497: 399-404
  • R. L. Higginson, G. D. West and M. A. E. Jepson (2007). The Characterisation of Oxide Scales Grown On Nickel Containing Steel Substrates Using Electron Backscatter Diffraction, Materials Science Forum 539-543: 4482-4487
  • S. Birosca and R. L. Higginson (2005) Phase identification of oxide scale on low carbon steel, Materials at High Temperatures 22: 179-184
  • R. L. Higginson, M. A. E. Jepson and G. D. West (2006) Use of EBSD to characterise high-temperature oxides formed on low alloy and stainless steels, Materials Science and Technology 22: 1325-1332