弾丸が衣類に貫入した部分のOrbis微小部蛍光X線分析装置は、銃弾の種類や射撃範囲などに関する価値のある科学捜査情報を与えてくれます。
1.)一般的な銃弾のタイプ:
金属製の弾丸が布を通過すると、通常、布に環状の金属残滓が残ります。汚物輪 (bullet wipe) を分析することにより、例えば、鉛ジャケットまたは銅ジャケットの弾丸が使用されたかどうかを判別することができます。次に示す例では、科学捜査研究所で繊維の見本を用いて試験射撃を行いました。Orbisを使用して射傷の周囲を元素マッピングしました。Pb (L) マップに観察される中央の輪は、鉛弾によって形成された汚物輪の特徴です。
2.)発射火薬の種類:
射撃距離が布に十分近い時は、弾丸に使用された発射薬特有の残滓が残ります。Orbisを使用することで、鉛含有と鉛不使用の発射薬を簡単に識別できます。上のPb (鉛) マップでは、鉛含有発射薬特有の、汚物輪を囲む鉛残滓を見ることができます。発射火薬に特定の微量元素が添加されている場合、例えば、警察用の銃弾に使用されるいくつかの発射火薬では、布に残された射撃残滓の微量元素の痕跡によって、発射火薬を同定できることがよくあります。
3.)射程距離:
標的から約50cm以内で発生した射撃の場合は、汚物輪の周りの定められた領域内の残滓の量を測定することで、射撃距離を特定できます。この場合、既知の科学捜査試料の分析結果と比較するために、実際の事件と類似の条件下 (例:同一または類似の武器や銃弾など) で一連の試験射撃を準備して分析する必要が生じる可能性があるため、しばしば分析速度が重要になります。
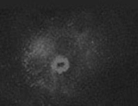
試料をイメージングする際、Orbisのマッピング機能を用いて、布を素早く走査し、存在する残滓の量を調べることができます。例として、 標的からの射撃距離に対するZn(K) の強度を決定するために、1 mmのコリメーターを搭載したOrbisを使用して、鉛フリー発射火薬を用いた試験射撃のZn(K) マップを生成しました。各テスト射撃試料は、1時間以内に測定されました。この方法を用いて少なくとも50cm以内、場合によってはそれよりも大きい射撃距離を特定できることが知られています。

ZnK 10 cmの距離

ZnK 25 cmの距離

ZnK 50 cmの距離

ZnK 75 cmの距離

ZnK 100 cmの距離
deGrey X-ray社の厚意により
分析結果を提供いただきました。
Netherlands Forensics Institute(オランダ フォレンジック研究所)の
Jan Biegstraaten氏の厚意により
試料を提供いただきました。